Elektrický otvírač úzký Viro 7656 dlouhý impulz s MB
Kód: 3522Související produkty
Detailní popis produktu
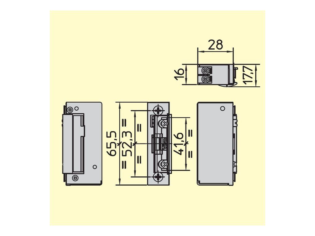
Úzké elektrické otvírače italského výrobce Viro mají optimální rozměry pro použití do slabých plastových nebo hliníkových profilových dveří a jsou vhodné ke všem běžným instalovaným zadlabacím zámkům. Otvírače jsou dodávány bez čelního plechu! Při nahrazení protiplechu dveří elektrickým otvíračem pracuje zámek jako klasický elektrický zámek. Otvírače s rovným čelním plechem jsou univerzální pro pravé i levé dveře, při použití úhlového čelního plechu je nutné rozlišit pravou či levou stranu.
Princip typu 7756 (dlouhý impulz):
Otvírač je odjištěný a umožňuje otevření dveří pouze po dobu trvání elektrického impulzu. Zpět do výchozího (zamčeného) stavu přejde ihned, jakmile impulz skončí, i pokud dveře nejsou ještě otevřené. Proto se nedoporučuje použití s dveřním zavíračem, nebo s nevhodným automatickým systémem.
Vlastnosti a parametry produktu:
- Napájení a spotřeba: 6-14V AC/1160mA, 6-14V DC/1650mA – cívka je napájena pouze během impulzu.
- Mechanická blokáda (MB): umožňuje ručně přepnout otvírač do trvale otevřeného stavu (např. pro denní provoz).
- Odolná konstrukce: tělo z pozinkované oceli a slitiny ZAMAK.
- Nastavitelná západka: hloubka 5 mm (s možností regulace o 2 mm), spolehlivě odolává tlaku dveřního těsnění.
- Čelní plech otvírače: standardní je krátký či dlouhý rovný niklovaný (dodávány zvlášť), na zakázku lze potom dodat i dlouhé rovné nebo úhlové, s povrchovou úpravou mosaz, nikl, nebo nerez.
Doplňkové parametry
| Kategorie: | Elektrické otvírače |
|---|---|
| Záruka: | 2 roky |
| Hmotnost: | 0.14 kg |
| EAN: | 8005344096377 |
Diskuze
Buďte první, kdo napíše příspěvek k této položce.
